丹佛斯 FC302 系列變頻器是丹佛斯推出的經典通用型變頻器,
功率范圍覆蓋全功率 0.25KW - 1400kW,能夠提供 0 和 1000Hz 之間的可變輸出頻率,以滿足不同設備對速度控制的要求。
1、標準內置EN61800-3標準的C3級濾波器,另可提供內置的C1/C2級濾波器。
2、內置直流電抗器,有效降低電源的諧波干擾,符合IEC-1000-3-2國際標準。設計緊湊、無需外部選件。
3、支持各種通訊總線:包括- Modbus RTU (標準內置)- Profibus-DeviceNet- EtherNet/lP-Profinet-CANopen-Modbus TCP/IP
4、變頻器外殼封裝符合保護等級IP20另有IP00,IP21,IP54,IP55和IP66多種封裝等級可選。
5、變頻器能在高達50℃的環(huán)境溫度下達到最大的輸出,在最大55℃的環(huán)境溫度下仍可降容運行。
丹佛斯FC302變頻器的功率范圍和型號如下:

丹佛斯FC302變頻器各型號尺寸如下:

可以根據不同的功率和選件來選型,如:FC302P3K0T5E20H1BXXXXXSXXXXAXBXCXXXXDX,
其型號代碼含義如下:

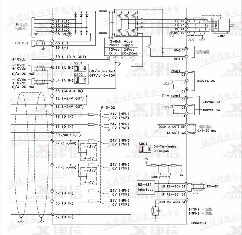
丹佛斯FC302變頻器的標準接線圖如下:
?